Home > Products > Pressure Vessel >
NACE MR103 SS Pressure Vessels For Amine Reflux Anti Corrosive U Stamp Approval

NACE MR103 SS Pressure Vessels For Amine Reflux Anti Corrosive U Stamp Approval

Amine Reflux Pressure Vessels

NACE MR103 SS Pressure Vessels

SS Pressure Vessels Anti Corrosive

Place of Origin:

China

Brand Name:

YUHONG

Certification:

ASME U STAMP

Model Number:

Amine Reflux Vessel

Chat Now
Request A Quote
Product Details
Design Code:
ASME VIII + IBC 2018 + ASCE 7 + NACE MR103
DESIGN PRESSURE (INT / EXT):
3.5 / F.V. (bar G)
DESIGN TEMPERATURE:
100℃
OPERATING PRESSURE:
0.55 (bar G)
OPERATING TEMPERATURE:
65℃
M.D.M.T.:
-6℃
DESIGN CODE FOR SEISMIC:
IBC 2018
DESIGN CODE FOR WIND:
ASCE/SEI 7-22
FLUID STATE (LIQUID/ GAS):
LIQUID / GAS
Installation:
Pre Assembly In Workshop
Approval:
U Stamp
Highlight:

Amine Reflux Pressure Vessels

,

NACE MR103 SS Pressure Vessels

,

SS Pressure Vessels Anti Corrosive

Payment & Shipping Terms
Minimum Order Quantity
1 set
Price
Negotiate
Packaging Details
EXPORT STANDARD
Delivery Time
90 - 180 days
Payment Terms
L/C AT SIGHT, T/T
Supply Ability
500 SETS PER YEAR
Product Description

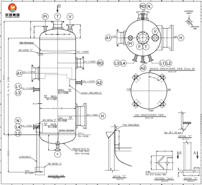
Pressure Vessels for Amine Reflux Vessels: Design & Considerations

Amine reflux vessels are pressure vessels designed to handle condensed liquids (water + amine) and residual acid gases (H₂S, CO₂) from the overhead of an amine stripper column. Their design follows strict standards due to corrosive conditions and operational demands.

 

 

1. Design Codes & Standards

I.> ASME BPVC (Boiler & Pressure Vessel Code), Section VIII, Div. 1 or 2 – Mandatory for pressure containment.

II.> API 12GDU (Gas Dehydration Units) – Guidelines for amine system components.

III.> NACE MR0175/ISO 15156 – Material selection for H₂S service (sour environments).

IV.> GPSA Engineering Data Book – Industry best practices for gas processing.

 

2. Key Design Parameters

Parameter Typical Range Notes
Design Pressure 50–150 psig (3.5–10 barg) Must exceed stripper overhead pressure.
Design Temperature 200–250°F (93–121°C) Matches stripper condenser outlet.
Material Carbon steel (SS for high corrosion) Lined or coated if severe HS/CO.
Corrosion Allowance 1/8" to 1/4" (3–6 mm) Extra thickness for amine service.
Vent Size 2–6 inches (DN50–DN150) For non-condensable gas release.

 

 

3. Material Selection

I.> Carbon Steel (SA-516 Gr. 70) – Most common, cost-effective, but requires amine-compatible coatings/inhibitors.

II.> Stainless Steel (SS 304/316) – Used for high H₂S/CO₂ or oxygen-contaminated systems.

III.> Clad Materials (CS + SS overlay) – For severe corrosion zones.

IV.> Internal Linings (Fiberglass, PTFE, Epoxy) – Additional protection against wet acid gas attack.

Note: Amine degradation products (e.g., heat-stable salts) can accelerate corrosion—material choice depends on amine type (MDEA, DEA, MEA).

 

4. Nozzle & Internals Requirements

Nozzle Purpose Typical Size
Inlet From condenser 6–12 inches (DN150–DN300)
Liquid Outlet Reflux to stripper 3–6 inches (DN80–150)
Vent Non-condensable purge 2–4 inches (DN50–100)
Drain Sludge removal 2 inches (DN50)

 

 

5. Pressure Relief & Safety

  • PSV (Pressure Safety Valve) – Sized per API 520/521 for overpressure scenarios.

  • Rupture Disk (Optional) – For additional protection against sudden pressure spikes.

  • Flare/Scrubber Vent – Disposes H₂S/CO₂ safely.

 

6. Operational Challenges & Mitigation

Issue Cause Solution
Corrosion Wet HS, heat-stable salts Use corrosion-resistant materials, monitor amine quality.
Foaming Contaminated amine Install mist eliminator, add antifoam agents.
Level Control Failure Faulty instrumentation Redundant level switches (LT, LAL, LAH).
Plugging Degradation products Regular flushing, filtration.

 

 

7. Inspection & Maintenance

  • NDT (UT, RT, PT) – Checks for wall thinning/cracks.

  • Thickness Monitoring – Ultrasonic testing (UT) for corrosion tracking.

  • Biannual Shutdown Checks – Demister integrity, nozzle condition.

  • NACE MR103 SS Pressure Vessels For Amine Reflux Anti Corrosive U Stamp Approval 0

 

 

Support and Services:

Our company offers comprehensive technical support and services for our Pressure Vessel product. Our team of experts is available to assist you with installation, maintenance, troubleshooting, and any other technical inquiries you may have. We are committed to ensuring that your Pressure Vessel operates efficiently and safely at all times

Ratings& Review

Overall Rating

4.3
Based on 50 reviews for this supplier

Rating Snapshot

The following is the distribution of all ratings
5 stars
67%
4 stars
0%
3 stars
33%
2 stars
0%
1 stars
0%

All Reviews

A
A*d
Saudi Arabia Dec 29.2025
We installed this heat exchanger at our petrochemical facility in Jubail Industrial City back in March. The ASME VIII-1 certification was non-negotiable for us, and this unit delivered exactly what we needed. The SA516 Gr485 shell material has held up exceptionally well against our high-temperature process streams, even during the peak summer months when ambient temperatures exceed 45°C. What impressed me most was the quality of the welding—our inspection team did radiography testing on random seams, and all passed with flying colors. The supplier kept us updated throughout fabrication with photos and progress reports, which built a lot of trust. We've had zero leaks or performance issues since startup. Definitely planning to order another unit for our expansion project next year.
A
A*i
United Arab Emirates Jul 15.2025
Delivery was smooth—the unit arrived at Jebel Ali port within the promised timeframe, and the packaging protected it from the dusty environment during transport. Installation was quick because all flange alignments were perfect.
V
V*v
Russian Federation Jul 13.2025
The vessel is designed for severe cold climate—MDMT rating of -45°C suits our Siberian conditions perfectly. They provided full GOST-R certification package in addition to ASME, which saved us significant time on customs clearance. The 200 cubic meter volume is ideal for our hydrocracking pilot plant. Quality of nozzles and flanges is robust—no issues with thermal cycling. Доставка через Владивосток прошла гладко.

Send your inquiry directly to us

Privacy Policy China Good Quality TEMA Heat Exchanger Supplier. Copyright © 2025-2026 YUHONG HOLDING GROUP CO., LTD . All Rights Reserved.